Sorry, this page is Japanese only.

NGC Multi Joyport 計画


■ はじめに ■

この計画では、各種ゲーム機コントローラをニンテンドーゲームキューブ(NINTENDO GAME CUBE = NGC)のコントローラに変換します。もちろん、WiiのNGCポートでの使用を考えてのことです。「UMJ-FX」を基本ハードウェアとして使用し、本計画はオプションファームウェア(有料)として供給します。気になる変換性能ですが、ゲーム機側の読込間隔とコントローラ側の読込間隔をうまく同期させて、コントローラデータの読込開始からゲーム機にデータ送出開始まで2ms以内に行われるように設計してあります(ここ参照)。本計画やUMJ-FXの機能面で要望がありましたら、掲示板メールでご連絡ください。よろしくお願いいたします。

オプションファームで有料としている大きな理由は、UMJ-FXの料金を製造原価を基準に低く設定し、設計製造費などの初期費用を除外しているためそれを回収するための苦肉の策です。

購入方法は、高性能・高機能・ハンドメードですのでそれなりの価格となりますが、出品中であればオークションでセット品を購入されるのが便利です(不定期ですので出品されているとは限りません)。
このサイトで直接購入される場合には、「UMJ-FXの購入方法(見積依頼フォーム)」で、UMJ-FX(ハードウェア)の注文と同時に「NGC Multi Joyport オプションファームウェア」の注文が最低限必要です。接続ケーブルなどを自作される方は、この最低限のセットでも使用可能です。そうでない方は、適宜、「SUB4基板」、「2又ケーブル」、「接続ケーブル」、「変換ケーブル」などが必要です。
すでに「UMJ-FX」ユーザの場合には、「NGC Multi Joyport オプションファームウェア購入」で後払いでファームウェアのライセンスを購入できます。

Yahoo!オークションで購入(便利なすぐ使えるセット品があります。クレジットカード可)

NGC Multi Joyport オプションファームウェア購入(ユーザ登録依頼フォーム)

NGC Multi Joyport ファームウェアアップデート(ファーム書き換えの方もこちらから)

UMJ-FX 暫定ページ(UMJ-FXについて基本的なこと、USB Multi Joyport-1P等)
UMJ-FXの購入方法(見積依頼フォーム)(オプションファーム同時購入できます)

【警告】

使用するジョイスティックやジョイパッドに対応した正しいジャンパ設定及び正しいファームウェアの書き込みを行ってください。間違ってもなるべく損傷のないようにポリヒューズを装備したり信号を選んでいますが、最悪の場合、ゲーム機、UMJ-FXとジョイパッドまたはジョイスティック双方に損傷を受けますのでご注意ください。もちろん、配線の間違いはもってのほかですので製作後、落ち着いてから見直しましょう。
ジャンパの設定、SUB基板の取り外し取り付け、ゲームコントローラの取換え、変換ケーブルの取換えなどはUMJ-FXをUSB及びゲーム機から切り離した状態で行ってください。USBへの接続は、全ての準備が整い設定及びゲーム機から切り離されていることなどを確認の上で行ってください。ゲーム機への接続は全ての準備が整い設定及びUSBから切り離されていること(これはゲーム機から電源を供給する場合に限る、逆にUSBから電源を供給する場合にはUSBに接続されていること)を確認の上で行ってください。
ファームウェアの書き換えはゲーム機やゲームコントローラを外した状態、SUB基板を外した状態で行ってください。
 


■ アンケート ■

今後の開発の参考にさせていただきますので、ぜひご協力ください。また、アンケートの結果を絶対的なものとして評価しませんのでお気軽にご参加ください。アンケートの項目で増やして欲しいものがありましたら アンケートの「ご意見・ご感想」欄にお書きください。

● UMJ-FX(ハードウェア)について


● X Multi Joyport(コントローラ→ゲーム機変換ファームウェア)について
 

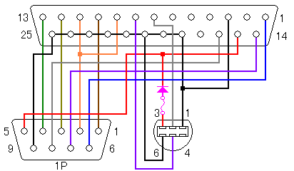
■ NINTENDO GAME CUBE(本体側) 2又ケーブルの作製 [NGCP3/4] ■

ニンテンドーゲームキューブ又はWiiのゲーム機本体側に接続するためのケーブルを作製しなければなりません。UMJ-FXの準装備である「SUB1基板」では、ゲームコントローラに接続することしか考えられていないため、本体側に接続するための信号を引き出すには工夫が必要です。ここで紹介する方法は、下記項目で挙げるケーブルを1つに集約したもので、材料費・製作時間・労力を節約できます。
  • NINTENDO GAME CUBE(本体側) 接続ケーブルの作製
  • 2P仕様の作製(2又ケーブル)

また、今後の開発で対応ゲーム機が増えた場合、柔軟性に欠けるため逆に材料費・製作時間・労力がかかることも考えられます。しかし、柔軟性に欠けるということは、間違や故障が減るということになりますので、総合的に考えるとここでの方法をお勧めします。
なお、ここでの方法は、オプション品の[「SUB4基板」D-SUB25ピンメス仕様基板]が必要です。
 

【用意する部品】
D-SUB9ピン(オス-オス)ストレートケーブル
D-SUB25ピン(オス)コネクタ
D-SUB25ピン・コネクタ用シェル
NINTENDO GAME CUBE用延長ケーブル(ゲーム機本体側)
(ポリヒューズ250mA、整流用ショットキーバリアダイオード1S4など)

配線は左図を参考にしてください。
UMJ-FX側のD-SUBコネクタと、変換ケーブル
相手側のコネクタを覗き込んだ図になっています。ここで作製する変換ケーブル側のコネクタではないことにご注意ください。

   
電源を供給するため「SUB4基板」のJ26はジャンパプラグでショートさせた状態でご使用ください。この設定でD-SUB25ピンの15番ピンに5Vが供給されます。これはパラレルポートの仕様と異なるため、他のファームウェアでパラレルポート互換で使用されるときは、このジャンパを外してください。

特に注意すべき点、考慮すべき点として、UMJ-FXの電源の取り方にあります。私のお勧めとしては、USBから電源を供給することです。パソコンから取っても良いですし、USBチャージャ用のACアダプタを用いても良いです。その場合は、上記配線図の赤線の部分の配線は行いません。お勧めの理由としては、電流の逆流の心配が無い、UMJ-FX内蔵のポリヒューズによって過電流の保護がされているためです。
どうしてもスタンドアロンで使用されたいときは、ゲーム機本体から電源を取りますが、その場合、次のような問題が発生する可能性があります。ゲーム機本体からの電源でUMJ-FXと規格外のゲームコントローラの電力を賄えない。何らかの失敗(コネクタの誤挿入、誤配線など)で過大な電流(つまりショート)が流れる可能性がある。ゲーム機とパソコンのUSBに同時に接続した場合、片方の電源を切るなどで電圧の差が生じ電流の逆流が発生する。これらをある程度防ぐためにピンク色で示されたポリヒューズと 整流用ショットキーバリアダイオードを接続します。ダイオードはシリコンより順方向電圧の低いショットキーがお勧めです。ゲーム機とUSBは同時に接続しない、そして何らかの失敗はしないという方は、この保護処置を省略することも可能です。しかし、問題が発生した場合、ゲーム機、UMJ-FX、パソコン、ゲームコントローラその他関連機器を損傷させる可能性があります。できるだけポリヒューズは接続した方が良いと思います。
 


■ NINTENDO GAME CUBE(本体側) 接続ケーブルの作製 [NGCP1/2] ■

ニンテンドーゲームキューブ又はWiiのゲーム機本体側に接続するためのケーブルを作製しなければなりません。UMJ-FXの準装備である「SUB1基板」では、ゲームコントローラに接続することしか考えられていないため、本体側に接続するための信号を引き出すには工夫が必要です。そのために、次項目にあります、「2P仕様の作製 (2又ケーブル)」を行う必要があります。そして接続ケーブルは「2P」側に接続します。又は、各自で配線を書き出して整理して、D-SUB25ピンオスコネクタやピンソケット10ピンに直接、接続ケーブルを配線しても良いかと思います。
また、この作製でお気付きになると思いますが、ゲームコントローラを選択していたジャンパピンの信号に接続ケーブルがつながりますので、ゲームコントローラの選択はジャンパピンでは行えません。ファームウェア書き込みソフトウェア上で選択して書き込むことになります。
 
NINTENDO GAME CUBE用ゲームコントローラ・コネクタとD-SUB9ピン(メス)に変換するケーブルを作製します。
【用意する部品】
NINTENDO GAME CUBE用延長ケーブル(ゲーム機本体側)
D-SUB9ピン(メス)コネクタ
D-SUB9ピン・コネクタ用シェル
(ポリヒューズ250mA、整流用ショットキーバリアダイオード1S4など)

配線は左図を参考にしてください。
UMJ-FX側のD-SUBコネクタと、
ゲーム機本体側のコネクタを覗き込んだ図になっています。ここで作製する変換ケーブル側のコネクタではないことにご注意ください。

   
特に注意すべき点、考慮すべき点として、UMJ-FXの電源の取り方にあります。私のお勧めとしては、USBから電源を供給することです。パソコンから取っても良いですし、USBチャージャ用のACアダプタを用いても良いです。その場合は、上記配線図の赤線の部分の配線は行いません。お勧めの理由としては、電流の逆流の心配が無い、UMJ-FX内蔵のポリヒューズによって過電流の保護がされているためです。
どうしてもスタンドアロンで使用されたいときは、ゲーム機本体から電源を取りますが、その場合、次のような問題が発生する可能性があります。ゲーム機本体からの電源でUMJ-FXと規格外のゲームコントローラの電力を賄えない。何らかの失敗(コネクタの誤挿入、誤配線など)で過大な電流(つまりショート)が流れる可能性がある。ゲーム機とパソコンのUSBに同時に接続した場合、片方の電源を切るなどで電圧の差が生じ電流の逆流が発生する。これらをある程度防ぐためにピンク色で示されたポリヒューズと 整流用ショットキーバリアダイオードを接続します。ダイオードはシリコンより順方向電圧の低いショットキーがお勧めです。ゲーム機とUSBは同時に接続しない、そして何らかの失敗はしないという方は、この保護処置を省略することも可能です。しかし、問題が発生した場合、ゲーム機、UMJ-FX、パソコン、ゲームコントローラその他関連機器を損傷させる可能性があります。できるだけポリヒューズは接続した方が良いと思います。
 

■ 2P仕様の作製(2又ケーブル) [DB2P] ■

現在のところ2P(2つのゲームコントローラ)仕様のオプションファームウェアは存在しませんが、将来的には用意したいと考えています。そのための2P分の信号を扱うためのケーブル(2又ケーブル)の作製です。

● 「SUB4基板」D-SUB25ピンメス仕様基板に接続する場合

D-SUB25ピン(オス)をD-SUB9ピン(オス)x2に変換するケーブルを作製します。
【用意する部品】
D-SUB9ピン(オス-オス)ストレートケーブル
D-SUB25ピン(オス)コネクタ
D-SUB25ピン・コネクタ用シェル

配線は左図を参考にしてください。
UMJ-FX側のD-SUBコネクタと、変換ケーブル
相手側のコネクタを覗き込んだ図になっています。ここで作製する変換ケーブル側のコネクタではないことにご注意ください。

   
電源を供給するため「SUB4基板」のJ26はジャンパプラグでショートさせた状態でご使用ください。この設定でD-SUB25ピンの15番ピンに5Vが供給されます。これはパラレルポートの仕様と異なるため、他のファームウェアでパラレルポート互換で使用されるときは、このジャンパを外してください。

● 「SUB1基板」のジャンパプラグ用ピンヘッダ(CON3)から2P側信号を取り出す場合

ピンソケット10ピンとD-SUB9ピン(オス)に変換するケーブルを作製します。
【用意する部品】
ピンソケット10ピン
D-SUB9ピン(オス)コネクタ
D-SUB9ピン・コネクタ用シェル
8芯シールドケーブル
万能基板の切れ端

配線は左図を参考にしてください。
UMJ-FX側のピンヘッダと、変換ケーブル相手
側のコネクタを覗き込んだ図になっています。ここで作製する変換ケーブル側のコネクタではないことにご注意ください。

値段は高くなりますが、フラットケーブル仕様で作製するとすっきりします。

なお、バッファ有り基板である「SUB2基板」は使用できません。2Pの信号をバッファのコントロールに使用しているためです。
 

■ ATARI互換(コントローラ側) ■

ATARI 2ボタン」(アタリ)互換のゲームコントローラを接続します。代表的な機器はMSX, PC-98シリーズ, PC-88シリーズ, X680x0シリーズ, X1シリーズ, FM-TOWNS等で使用されています。また、FM-TOWNSで使用されていた[SELECT]や[RUN]ボタンにも対応しています。

● 変換ケーブルの作製
ATARI互換の場合、作成の必要はありません。
 

● ジャンパ設定1(各種切換)  
NGC Multi Joyportでは、ゲームコントローラを選択していたジャンパピンの信号をゲーム機に接続する信号に利用していますので、ジャンパの設定で変更することができません。

そこで、ファームウェア書き込み時に接続するゲームコントローラを選択します。変更するときはファームウェアを書き直すことになります。

左図はファームウェア書き込みソフトウェアです。ここでは、ゲームコントローラ枠内の「ATARI」を選択して、「EEPROMに書き込む」ボタンを押します。「RAMにダウンロード」は、EEPROMに書き込まずプログラムの転送だけを行います。

   
● ジャンパ設定2(SUB1基板を使用する場合のみ)(ATARI⇔MD切換)
クリックすると拡大します。 SUB1基板の「ATARI⇔MD」切換を設定します。左写真の(赤丸)で囲まれたピンヘッダによるジャンパプラグを左図のように設定します。赤色で示された部分がジャンパプラグと考えてください。必ず2つのジャンパプラグを「ATARI」側に差し込んでください。また、この設定がデフォルト(標準)であり、MEGA DRIVE以外はこの設定で使用します。
なお、この設定にはSUB基板をMAIN基板から取り外す必要があります。取り付けの際にはコネクタがずれないように十分に注意してください。ご使用の前に必ず左右から覗き込んでずれが無いか確認してください。
 
● 軸・ボタン割当

コントローラ

GC

コントローラ

GC

コントローラ GC コントローラ GC

ディジタル

ディジタル

Aボタン

Aボタン     RUNボタン STARTボタン
    Bボタン Bボタン     SELECTボタン Zボタン
 
● 仕様(変換遅延は2ms以内に抑えてあります

ゲームコントローラ側
読込時間(実測値)

ゲームコントローラ側
読込間隔(理論値)

ゲーム機側
読込間隔(理論値)

6.5us

4ms

16.7ms

 
● 確認済みコントローラ
  • 自作のTOWNSパッド互換のジョイスティック
  • CPSFighter/CPSF-PCアダプタの2ボタンモード
  • Panasonic POWER PAD (FS-JS222)
  • XE-1PRO

■ NEOGEO(コントローラ側) ■

NEOGEO」(ネオジオ)又は「NEOGEO CD」のジョイスティックを接続します。

● 変換ケーブルの作製

NEOGEOの場合は、信号数が多いため特殊で、左図のように別途2股ケーブルを作成する必要があります。

USB Multi Joyport-1P用の「SUB3基板」を使用した配線は使えません。しかし左図に準拠した配線に変更すれば「SUB3基板」も利用可能です。

   
● ジャンパ設定1(各種切換)  
NGC Multi Joyportでは、ゲームコントローラを選択していたジャンパピンの信号をゲーム機に接続する信号に利用していますので、ジャンパの設定で変更することができません。

そこで、ファームウェア書き込み時に接続するゲームコントローラを選択します。変更するときはファームウェアを書き直すことになります。

左図はファームウェア書き込みソフトウェアです。ここでは、ゲームコントローラ枠内の「NEOGEO」を選択して、「EEPROMに書き込む」ボタンを押します。「RAMにダウンロード」は、EEPROMに書き込まずプログラムの転送だけを行います。

   
● ジャンパ設定2(ATARI⇔MD切換)
NEOGEOでは「SUB1基板」を使用しませんので必要ありません。

● 軸・ボタン割当

コントローラ

HID

コントローラ

HID

コントローラ HID コントローラ HID

スティック左右

X軸

Aボタン

1ボタン Cボタン 3ボタン STARTボタン 9ボタン
スティック上下 Y軸 Bボタン 2ボタン Dボタン 4ボタン SELECTボタン 10ボタン
 
● 仕様(変換遅延は2ms以内に抑えてあります

ゲームコントローラ側
読込時間(実測値)

ゲームコントローラ側
読込間隔(理論値)

ゲーム機側
読込間隔(理論値)

7.0us

4ms

16.7ms

 
● 確認済みコントローラ
  • NEOGEO CD CONTROLLER PRO

■ MEGA DRIVE(コントローラ側) ■

MEGA DRIVE」(メガドライブ)のゲームコントローラを接続します。3ボタンの他に6ボタン(未確認ですが5ボタンも)にも対応しています。これらは自動的に認識します。

● 変換ケーブルの作製(「SUB1基板」を利用しないで、2股ケーブルを使用する場合のみ)

 
【用意する部品】
D-SUB9ピン(メス)コネクタ
D-SUB9ピン(オス)コネクタ
D-SUB9ピン・コネクタ用シェル x 2
8芯以上のシールドケーブル

配線は左図を参考にしてください。
UMJ-FX側のD-SUBコネクタと、
ゲームコントローラ側のコネクタを覗き込んだ図になっています。ここで作製する変換ケーブル側のコネクタではないことにご注意ください。

 
● ジャンパ設定1(各種切換)  
NGC Multi Joyportでは、ゲームコントローラを選択していたジャンパピンの信号をゲーム機に接続する信号に利用していますので、ジャンパの設定で変更することができません。

そこで、ファームウェア書き込み時に接続するゲームコントローラを選択します。変更するときはファームウェアを書き直すことになります。

左図はファームウェア書き込みソフトウェアです。ここでは、ゲームコントローラ枠内の「MEGA DRIVE」を選択して、「EEPROMに書き込む」ボタンを押します。「RAMにダウンロード」は、EEPROMに書き込まずプログラムの転送だけを行います。

   
● ジャンパ設定2(SUB1基板を使用する場合のみ)(ATARI⇔MD切換)
クリックすると拡大します。 SUB1基板又はSUB2基板の「ATARI⇔MD」切換を設定します。左写真の(赤丸)で囲まれたピンヘッダによるジャンパプラグを左図のように設定します。赤色で示された部分がジャンパプラグと考えてください。必ず2つのジャンパプラグを「MD」側に差し込んでください。また、この設定 はMEGA DRIVEのみに使用します。デフォルト(標準)ではないため、ご使用前に必ず確認をしてください。写真のプラグはあくまで参考です。
なお、この設定にはSUB基板をMAIN基板から取り外す必要があります。取り付けの際にはコネクタがずれないように十分に注意してください。ご使用の前に必ず左右から覗き込んでずれが無いか確認してください。
 
● 軸・ボタン割当

コントローラ

GC

コントローラ

GC

コントローラ GC コントローラ GC

ディジタル

ディジタル

Aボタン

Yボタン Xボタン Xボタン STARTボタン STARTボタン
    Bボタン Bボタン Yボタン Lボタン MODEボタン Zボタン
    Cボタン Aボタン Zボタン Rボタン    
 
● 仕様(変換遅延は2ms以内に抑えてあります

ゲームコントローラ側
読込時間(実測値)

ゲームコントローラ側
読込間隔(理論値)

ゲーム機側
読込間隔(理論値)

41.8us (3buttons)
55.0us (6buttons)

4ms

16.7ms

 
● 確認済みコントローラ
  • 標準6ボタンパッド (SJ-6000) 6ボタンモード及び3ボタンモード
  • セガコードレスパッドセット (HAA-2654)
  • ASCII Fighter Stick MD (AS-9981-MD)

■ SEGA SATURN(コントローラ側) ■

SEGA SATURN」(セガサターン)のゲームコントローラを接続します。この機種にはたくさんのコントローラが存在しますが、コントローラの特殊性などの理由により対応できていないものも存在します。対応の確認のできているコントローラについては下記の「確認済みコントローラ」をご覧下さい。

● 変換ケーブルの作製

クリックすると拡大します。 SEGA SATURN用ゲームコントローラ・コネクタとD-SUB9ピン(メス)に変換するケーブルを作製します。
【用意する部品】
SEGA SATURN用延長ケーブル
D-SUB9ピン(メス)コネクタ
D-SUB9ピン・コネクタ用シェル

配線は左図を参考にしてください。
UMJ-FX側のD-SUBコネクタと、
ゲームコントローラ側のコネクタを覗き込んだ図になっています。ここで作製する変換ケーブル側のコネクタではないことにご注意ください。

この変換ケーブルはTeam Plus製「ATR-USB」又は「ATR-USB mk2」の専用アダプタに互換があります。そのアダプタをお持ちでしたら使用することも可能と思われます。当方では、その動作の確認をしておりません。
 
● ジャンパ設定1(各種切換)  
NGC Multi Joyportでは、ゲームコントローラを選択していたジャンパピンの信号をゲーム機に接続する信号に利用していますので、ジャンパの設定で変更することができません。

そこで、ファームウェア書き込み時に接続するゲームコントローラを選択します。変更するときはファームウェアを書き直すことになります。

左図はファームウェア書き込みソフトウェアです。ここでは、ゲームコントローラ枠内の「S. SATURN」を選択して、「EEPROMに書き込む」ボタンを押します。「RAMにダウンロード」は、EEPROMに書き込まずプログラムの転送だけを行います。

   
● ジャンパ設定2(SUB1基板を使用する場合のみ)(ATARI⇔MD切換)
クリックすると拡大します。 SUB1基板の「ATARI⇔MD」切換を設定します。左写真の(赤丸)で囲まれたピンヘッダによるジャンパプラグを左図のように設定します。赤色で示された部分がジャンパプラグと考えてください。必ず2つのジャンパプラグを「ATARI」側に差し込んでください。また、この設定がデフォルト(標準)であり、MEGA DRIVE以外はこの設定で使用します。
なお、この設定にはSUB基板をMAIN基板から取り外す必要があります。取り付けの際にはコネクタがずれないように十分に注意してください。ご使用の前に必ず左右から覗き込んでずれが無いか確認してください。
 
● 軸・ボタン割当

ディジタルモード/アナログモード

コントローラ

GC

コントローラ

GC

コントローラ GC コントローラ GC

ディジタル

ディジタル

Aボタン

Yボタン Lボタン Lボタン    
アナログ 左アナログ Bボタン Bボタン Rボタン Rボタン    
    Cボタン Aボタン STARTボタン STARTボタン    
    Xボタン Zボタン A1ボタン -    
Lボタンアナログ Lボタンアナログ Yボタン Yボタン A2ボタン -    
Rボタンアナログ Rボタンアナログ Zボタン Xボタン A3ボタン -    

レーシングコントローラ(ボタンはディジタルモードに共通)

コントローラ

GC

コントローラ

GC

コントローラ GC コントローラ GC

ハンドル

左アナログ左右

 

         

ミッションスティック(ボタンはディジタルモードに共通)
(ツインスティック状に接続したものも含む)

コントローラ

GC

コントローラ

GC

コントローラ GC コントローラ GC

アナログ

左アナログ

スロットル

Rボタン
アナログ
アナログ(2) Cアナログ スロットル(2) Lボタン
アナログ
 
● 仕様(変換遅延は2ms以内に抑えてあります

ゲームコントローラ側
読込時間(実測値)

ゲームコントローラ側
読込間隔(理論値)

ゲーム機側
読込間隔(理論値)

36.6us (標準パッド)
98us (マルチコントローラ・ディジタルモード)
200us (マルチコントローラ・アナログモード)
155us (レーシングコントローラ)
189us (ミッションスティック)
304us (ミッションスティック・ツインスティック状)

4ms
16ms (ミッションスティック時)

16.7ms

 
● 確認済みコントローラ
  • コントロールパッド (HSS-0101)
  • コードレスパッドセット (HSS-0116)
  • バーチャスティックプロ (HSS-0130)
  • バーチャスティック (HSS-0136)
  • マルチコントローラ (HSS-0137)
  • レーシングコントローラ (HSS-0115)
  • ツインスティック (HSS-0151)
  • ミッションスティック (HSS-0114)
  • ミッションスティック (HSS-0114) x 2 (ツインスティック状に接続したもの)
  • FORMULA ZERO (NSP-311) ※

※ 強制 16ms モードで使用する必要があります。そのモードについては下記参照。
 

● 強制 16ms モード ジャンパ設定1(各種切換)
このモードは、ゲームコントローラ側のデータ読込間隔を16msに変更します。動作が不安定なゲームコントローラは、この設定により改善されることがあります。普通、ゲームコントローラのデータ読み込みはV-SYNC周期(16.7ms)で行われるためです。 ゲーム機側読込間隔がVSYNC(16.7ms)で行われる限り、この設定を行っても遅延は生じません。
NGC Multi Joyportでは、ゲームコントローラを選択していたジャンパピンの信号をゲーム機に接続する信号に利用していますので、ジャンパの設定で変更することができません。

そこで、ファームウェア書き込み時に接続するゲームコントローラを選択します。変更するときはファームウェアを書き直すことになります。

左図はファームウェア書き込みソフトウェアです。ここでは、ゲームコントローラ枠内の「S. SATURN(16ms)」を選択して、「EEPROMに書き込む」ボタンを押します。「RAMにダウンロード」は、EEPROMに書き込まずプログラムの転送だけを行います。

なお、ミッションスティックについては、ジャンパ設定に拘らず自動的に16msモードになります。
 

■ Dreamcast(コントローラ側) ■

Dreamcast」(ドリームキャスト)のゲームコントローラを接続します。この機種にはたくさんのコントローラが存在しますが、コントローラの特殊性などの理由により対応できていないものも存在します。対応の確認のできているコントローラについては下記の「確認済みコントローラ」をご覧下さい。

● 変換ケーブルの作製

クリックすると拡大します。 Dreamcast用ゲームコントローラ・コネクタとD-SUB9ピン(メス)に変換するケーブルを作製します。
【用意する部品】
Dreamcast用延長ケーブル
D-SUB9ピン(メス)コネクタ
D-SUB9ピン・コネクタ用シェル

配線は左図を参考にしてください。
UMJ-FX側のD-SUBコネクタと、
ゲームコントローラ側のコネクタを覗き込んだ図になっています。ここで作製する変換ケーブル側のコネクタではないことにご注意ください。

 
● ジャンパ設定1(各種切換)  
NGC Multi Joyportでは、ゲームコントローラを選択していたジャンパピンの信号をゲーム機に接続する信号に利用していますので、ジャンパの設定で変更することができません。

そこで、ファームウェア書き込み時に接続するゲームコントローラを選択します。変更するときはファームウェアを書き直すことになります。

左図はファームウェア書き込みソフトウェアです。ここでは、ゲームコントローラ枠内の「Nin,PSx,DC,PCE」を選択して、「EEPROMに書き込む」ボタンを押します。「RAMにダウンロード」は、EEPROMに書き込まずプログラムの転送だけを行います。

   
● ジャンパ設定2(SUB1基板を使用する場合のみ)(ATARI⇔MD切換)
クリックすると拡大します。 SUB1基板の「ATARI⇔MD」切換を設定します。左写真の(赤丸)で囲まれたピンヘッダによるジャンパプラグを左図のように設定します。赤色で示された部分がジャンパプラグと考えてください。必ず2つのジャンパプラグを「ATARI」側に差し込んでください。また、この設定がデフォルト(標準)であり、MEGA DRIVE以外はこの設定で使用します。
なお、この設定にはSUB基板をMAIN基板から取り外す必要があります。取り付けの際にはコネクタがずれないように十分に注意してください。ご使用の前に必ず左右から覗き込んでずれが無いか確認してください。
 
● 軸・ボタン割当

基本的な割当(標準コントローラ、アーケードスティック、ドリームキャスト・ガン、ツインスティック等)

コントローラ

GC

コントローラ

GC

コントローラ GC コントローラ GC

アナログ

左アナログ

Aボタン

Bボタン STARTボタン STARTボタン Yボタン Xボタン
左ディジタル ディジタル Bボタン Aボタン Xボタン Yボタン Zボタン Rボタン
Lボタン
アナログ
Lボタン
アナログ
Cボタン Lボタン 右ディジタル Cアナログ Lボタン Lボタン
Rボタン
アナログ
Rボタン
アナログ
Dボタン Zボタン     Rボタン Rボタン

レーシングコントローラ

コントローラ

GC

コントローラ

GC

コントローラ GC コントローラ GC

ハンドル

左アナログ左右

+ボタン

ディジタル上 -ボタン ディジタル下    

つりコントローラ

コントローラ

GC

コントローラ

GC

コントローラ GC コントローラ GC

加速度センサ
Y軸

Lボタン
アナログ

加速度センサ
X軸

Cアナログ
左右
加速度センサ
Z軸
Cアナログ
上下
リール Rボタン
アナログ

マラカスコントローラ

コントローラ

GC

コントローラ

GC

左マラカス左右位置

左アナログ左右

右マラカス左右位置

Cアナログ左右
左マラカス高さ位置 左アナログ上下 右マラカス高さ位置 Cアナログ上下
左マラカス振り Aボタン 右マラカス振り Bボタン
左マラカスボタン Xボタン 右マラカスボタン Bボタン
左マラカス位置検出失敗 Zボタン 右マラカス位置検出失敗 Yボタン
 
● 仕様(変換遅延は2ms以内に抑えてあります

ゲームコントローラ側
読込時間(実測値)

ゲームコントローラ側
読込間隔(理論値)

ゲーム機側
読込間隔(理論値)

237us

4ms

16.7ms

 
● 確認済みコントローラ
  • ドリームキャスト・カラーコントローラ (HKT-7700-09)
  • アーケードスティック (HKT-7300)
  • レーシングコントローラ (HKT-7400)
  • ドリームキャスト・ガン (HKT-7800) 但しコントローラ部のみ対応、照準は未対応
  • ツインスティック (HKT-7500)
  • つりコントローラ (HKT-8700)
  • マラカスコントローラ (HKT-9700)
  • アスキーミッションスティック

■ FAMILY COMPUTER(コントローラ側) ■

FAMILY COMPUTER」 (ファミリーコンピュータ、通称ファミコン、以下ファミコンと呼びます)のゲームコントローラを接続します。基本的にファミコンの拡張端子(D-SUB15ピン)を対象にしていますが、接続方法があれば標準のコントローラも接続できると思います。

● 変換ケーブルの作製
ファミコンの拡張端子(D-SUB15ピン)に接続するゲームコントローラを使用する場合、「DSUB15ピン(オス)キット[SUB3基板]」(以下SUB3基板と呼びます)を 利用して、FAMILY COMPUTER仕様配線を行います。但し、2P側配線を引き出す必要がありますので、その方法がわかる方のみご利用ください。
2股ケーブル又は「SUB1基板」を利用する場合は、次のように変換ケーブルを作製して接続します。

ファミコン用ゲームコントローラ・コネクタとD-SUB9ピン(メス)に変換するケーブルを作製します。
【用意する部品】
ファミコン用延長ケーブル
D-SUB9ピン(メス)コネクタ
D-SUB9ピン・コネクタ用シェル

配線は左図を参考にしてください。
UMJ-FX側のD-SUBコネクタと、
ゲームコントローラ側のコネクタを覗き込んだ図になっています。ここで作製する変換ケーブル側のコネクタではないことにご注意ください。

この変換ケーブルはTeam Plus製「ATR-USB」又は「ATR-USB mk2」の専用アダプタに互換があります。そのアダプタをお持ちでしたら使用することも可能と思われます。当方では、その動作の確認をしておりません。
 
● ジャンパ設定1(各種切換)  
NGC Multi Joyportでは、ゲームコントローラを選択していたジャンパピンの信号をゲーム機に接続する信号に利用していますので、ジャンパの設定で変更することができません。

そこで、ファームウェア書き込み時に接続するゲームコントローラを選択します。変更するときはファームウェアを書き直すことになります。

左図はファームウェア書き込みソフトウェアです。ここでは、ゲームコントローラ枠内の「Nin,PSx,DC,PCE」を選択して、「EEPROMに書き込む」ボタンを押します。「RAMにダウンロード」は、EEPROMに書き込まずプログラムの転送だけを行います。

   
● ジャンパ設定2(SUB1基板を使用する場合のみ)(ATARI⇔MD切換)
「SUB3基板」に、この設定は必要ありません。「SUB3基板」を使用しないときは、次の設定を行ってください。
クリックすると拡大します。 SUB1基板又はSUB2基板の「ATARI⇔MD」切換を設定します。左写真の(赤丸)で囲まれたピンヘッダによるジャンパプラグを左図のように設定します。赤色で示された部分がジャンパプラグと考えてください。必ず2つのジャンパプラグを「ATARI」側に差し込んでください。また、この設定がデフォルト(標準)であり、MEGA DRIVE以外はこの設定で使用します。
なお、この設定にはSUB基板をMAIN基板から取り外す必要があります。取り付けの際にはコネクタがずれないように十分に注意してください。ご使用の前に必ず左右から覗き込んでずれが無いか確認してください。
 
● 軸・ボタン割当

コントローラ

GC

コントローラ

GC

コントローラ GC コントローラ GC

スティック

ディジタル

Aボタン

Aボタン     STARTボタン STARTボタン
    Bボタン Bボタン     SELECTボタン Zボタン
 
● 仕様(変換遅延は2ms以内に抑えてあります

ゲームコントローラ側
読込時間(実測値)

ゲームコントローラ側
読込間隔(理論値)

ゲーム機側
読込間隔(理論値)

254.6us

4ms

16.7ms

 
● 確認済みコントローラ
  • FAMILY COMPUTER CONTROLLER (HVC-102)
  • HECTOR'87 (HC 62-4)
  • SUPER CONTROLLER II

■ SUPER Famicom(コントローラ側) ■

SUPER Famicom」 (スーパーファミコン、通称スーファミ、以下スーファミと呼びます)のゲームコントローラを接続します。

● 変換ケーブルの作製

クリックすると拡大します。 スーファミ用ゲームコントローラ・コネクタとD-SUB9ピン(メス)に変換するケーブルを作製します。
【用意する部品】
スーファミ用延長ケーブル
D-SUB9ピン(メス)コネクタ
D-SUB9ピン・コネクタ用シェル

配線は左図を参考にしてください。
UMJ-FX側のD-SUBコネクタと、
ゲームコントローラ側のコネクタを覗き込んだ図になっています。ここで作製する変換ケーブル側のコネクタではないことにご注意ください。

スーファミ用ゲームコントローラ・コネクタの5, 6番ピン(D-SUBの2, 6番ピン)は、NGC Multi Joyportでは使用しません。従いまして、そのファームしか使用しない場合には、これらの配線を行わなくても大丈夫です。また、延長ケーブルの中にはこれらの配線が無いものも存在します。
この変換ケーブルはTeam Plus製「ATR-USB」又は「ATR-USB mk2」の専用アダプタに互換があります。そのアダプタをお持ちでしたら使用することも可能と思われます。当方では、その動作の確認をしておりません。
 
● ジャンパ設定1(各種切換)  
NGC Multi Joyportでは、ゲームコントローラを選択していたジャンパピンの信号をゲーム機に接続する信号に利用していますので、ジャンパの設定で変更することができません。

そこで、ファームウェア書き込み時に接続するゲームコントローラを選択します。変更するときはファームウェアを書き直すことになります。

左図はファームウェア書き込みソフトウェアです。ここでは、ゲームコントローラ枠内の「Nin,PSx,DC,PCE」を選択して、「EEPROMに書き込む」ボタンを押します。「RAMにダウンロード」は、EEPROMに書き込まずプログラムの転送だけを行います。

   
● ジャンパ設定2(SUB1基板を使用する場合のみ)(ATARI⇔MD切換)
クリックすると拡大します。 SUB1基板の「ATARI⇔MD」切換を設定します。左写真の(赤丸)で囲まれたピンヘッダによるジャンパプラグを左図のように設定します。赤色で示された部分がジャンパプラグと考えてください。必ず2つのジャンパプラグを「ATARI」側に差し込んでください。また、この設定がデフォルト(標準)であり、MEGA DRIVE以外はこの設定で使用します。
なお、この設定にはSUB基板をMAIN基板から取り外す必要があります。取り付けの際にはコネクタがずれないように十分に注意してください。ご使用の前に必ず左右から覗き込んでずれが無いか確認してください。
 
● 軸・ボタン割当

コントローラ

GC

コントローラ

GC

コントローラ GC コントローラ GC

スティック

ディジタル

Aボタン

Aボタン Lボタン Lボタン STARTボタン STARTボタン
    Bボタン Bボタン Rボタン Rボタン SELECTボタン Zボタン
    Xボタン Xボタン        
    Yボタン Yボタン        
 
● 仕様(変換遅延は2ms以内に抑えてあります

ゲームコントローラ側
読込時間(実測値)

ゲームコントローラ側
読込間隔(理論値)

ゲーム機側
読込間隔(理論値)

256.3us

4ms

16.7ms

 
● 確認済みコントローラ
  • SUPER Famicom CONTROLLER (SHVC-005)
  • XE-1SFC INTELLIGENT JOYSTICK

■ NINTENDO64(コントローラ側) ■

NINTENDO64」 (通称ニンテンドー64、以下N64と呼びます)のゲームコントローラを接続します。

● 変換ケーブルの作製

クリックすると拡大します。 N64用ゲームコントローラ・コネクタとD-SUB9ピン(メス)に変換するケーブルを作製します。
【用意する部品】
N64用延長ケーブル
D-SUB9ピン(メス)コネクタ
D-SUB9ピン・コネクタ用シェル
信号用シリコンダイオード x 2

配線は左図を参考にしてください。
UMJ-FX側のD-SUBコネクタと、
ゲームコントローラ側のコネクタを覗き込んだ図になっています。ここで作製する変換ケーブル側のコネクタではないことにご注意ください。

N64コントローラの電源は3.6Vでありますので、D-SUBコネクタに供給されている5Vから減圧する必要があります。減圧には3端子レギュレータを用いるのが良いですが、ここでは入手の良さ実装のしやすさからシリコンダイオード2本直列に接続して実現しました。シリコンダイオードは「1S1588」を使用しますが、製造終了品であるためその互換品でも大丈夫です。小信号用シリコンダイオードであればほぼ大丈夫です。逆に、ゲルマニウムやショットキーなどは順方向電圧が異なるのでNGです。実装の際はダイオードに方向がありますのでご注意ください。
この変換ケーブルはTeam Plus製「ATR-USB」又は「ATR-USB mk2」の専用アダプタに互換があります。そのアダプタをお持ちでしたら使用することも可能と思われます。当方では、その動作の確認をしておりません。
 
● ジャンパ設定1(各種切換)  
NGC Multi Joyportでは、ゲームコントローラを選択していたジャンパピンの信号をゲーム機に接続する信号に利用していますので、ジャンパの設定で変更することができません。

そこで、ファームウェア書き込み時に接続するゲームコントローラを選択します。変更するときはファームウェアを書き直すことになります。

左図はファームウェア書き込みソフトウェアです。ここでは、ゲームコントローラ枠内の「Nin,PSx,DC,PCE」を選択して、「EEPROMに書き込む」ボタンを押します。「RAMにダウンロード」は、EEPROMに書き込まずプログラムの転送だけを行います。

   
● ジャンパ設定2(SUB1基板を使用する場合のみ)(ATARI⇔MD切換)
クリックすると拡大します。 SUB1基板の「ATARI⇔MD」切換を設定します。左写真の(赤丸)で囲まれたピンヘッダによるジャンパプラグを左図のように設定します。赤色で示された部分がジャンパプラグと考えてください。必ず2つのジャンパプラグを「ATARI」側に差し込んでください。また、この設定がデフォルト(標準)であり、MEGA DRIVE以外はこの設定で使用します。
なお、この設定にはSUB基板をMAIN基板から取り外す必要があります。取り付けの際にはコネクタがずれないように十分に注意してください。ご使用の前に必ず左右から覗き込んでずれが無いか確認してください。
 
● 軸・ボタン割当

コントローラ

GC

コントローラ

GC

コントローラ GC コントローラ GC

アナログ

左アナログ

Aボタン

1ボタン Lボタン Lボタン STARTボタン STARTボタン
ディジタル ディジタル Bボタン 2ボタン Rボタン Rボタン Zボタン Zボタン
    Cボタン Cアナログ        
 
● 仕様(変換遅延は2ms以内に抑えてあります

ゲームコントローラ側
読込時間(実測値)

ゲームコントローラ側
読込間隔(理論値)

ゲーム機側
読込間隔(理論値)

214.4us

2ms

16.7ms

 
● 確認済みコントローラ
  • NINTENDO64 CONTROLLER コントローラ ブロス (NUS-005)
  • ASCII PAD64 (ASC-0901)
  • FORMULA ZERO (NSP-311) ※

※ 別途、信号線のプルアップを行う必要があります。D-SUB9ピンの5番ピンと8番ピン間を1Kオームの抵抗で接続してください。更に強制 16ms モードで使用する必要があります。そのモードについては 「PlayStation/2」の項目を参照。
 


■ NINTENDO GAMECUBE(コントローラ側) ■

NINTENDO GAMECUBE」 (通称ゲームキューブ、以下ゲームキューブと呼びます)のゲームコントローラを接続します。

● 変換ケーブルの作製

クリックすると拡大します。 ゲームキューブ用ゲームコントローラ・コネクタとD-SUB9ピン(メス)に変換するケーブルを作製します。
【用意する部品】
ゲームキューブ用延長ケーブル
D-SUB9ピン(メス)コネクタ
D-SUB9ピン・コネクタ用シェル
信号用シリコンダイオード x 2

配線は左図を参考にしてください。
UMJ-FX側のD-SUBコネクタと、
ゲームコントローラ側のコネクタを覗き込んだ図になっています。ここで作製する変換ケーブル側のコネクタではないことにご注意ください。

ゲームキューブ用コントローラの電源は3.6Vでありますので、D-SUBコネクタに供給されている5Vから減圧する必要があります。減圧には3端子レギュレータを用いるのが良いですが、ここでは入手の良さ実装のしやすさからシリコンダイオード2本直列に接続して実現しました。シリコンダイオードは「1S1588」を使用しますが、製造終了品であるためその互換品でも大丈夫です。小信号用シリコンダイオードであればほぼ大丈夫です。逆に、ゲルマニウムやショットキーなどは順方向電圧が異なるのでNGです。実装の際はダイオードに方向がありますのでご注意ください。
 
● ジャンパ設定1(各種切換)  
NGC Multi Joyportでは、ゲームコントローラを選択していたジャンパピンの信号をゲーム機に接続する信号に利用していますので、ジャンパの設定で変更することができません。

そこで、ファームウェア書き込み時に接続するゲームコントローラを選択します。変更するときはファームウェアを書き直すことになります。

左図はファームウェア書き込みソフトウェアです。ここでは、ゲームコントローラ枠内の「Nin,PSx,DC,PCE」を選択して、「EEPROMに書き込む」ボタンを押します。「RAMにダウンロード」は、EEPROMに書き込まずプログラムの転送だけを行います。

   
● ジャンパ設定2(SUB1基板を使用する場合のみ)(ATARI⇔MD切換)
クリックすると拡大します。 SUB1基板の「ATARI⇔MD」切換を設定します。左写真の(赤丸)で囲まれたピンヘッダによるジャンパプラグを左図のように設定します。赤色で示された部分がジャンパプラグと考えてください。必ず2つのジャンパプラグを「ATARI」側に差し込んでください。また、この設定がデフォルト(標準)であり、MEGA DRIVE以外はこの設定で使用します。
なお、この設定にはSUB基板をMAIN基板から取り外す必要があります。取り付けの際にはコネクタがずれないように十分に注意してください。ご使用の前に必ず左右から覗き込んでずれが無いか確認してください。
 
● 軸・ボタン割当

コントローラ

GC

コントローラ

GC

コントローラ GC コントローラ GC

左アナログ

左アナログ

Aボタン

Aボタン Lボタン Lボタン    
    Bボタン Bボタン Rボタン Rボタン    
Cスティック Cアナログ Xボタン Xボタン Zボタン Zボタン    
ディジタル ディジタル Yボタン Yボタン STARTボタン STARTボタン    

Logicool SPEED FORCE(ボタンは標準に共通)

コントローラ

GC

コントローラ

GC

コントローラ GC コントローラ GC

ハンドル

左アナログ
左右

アクセル

Rボタン
アナログ
ブレーキ Lボタン
アナログ
ニュートラル
(固定)※
左アナログ
上下
※ Y軸はニュートラル(中立)で固定されているという意味です。ACアダプタを接続したときはハンドルにバネを付けた様なフォースフィードバックがかかるように設計しました。つまり舵角が大きくなるほど中立に戻ろうとする力が大きくなるようにしています。
GCのコントローラをGCに変換するのは意味の無いことですが、この「Logicool SPEED FORCE」は標準のゲームパッドに変換されます。つまり「Logicool SPEED FORCE」に対応していないソフトでも使用できる可能性があります。但し左アナログスティックの上下方向が中立に固定されています。
 
● 仕様(変換遅延は2ms以内に抑えてあります

ゲームコントローラ側
読込時間(実測値)

ゲームコントローラ側
読込間隔(理論値)

ゲーム機側
読込間隔(理論値)

400.8us

4ms

16.7ms

 
● 確認済みコントローラ
  • NINTENDO GAMECUBE CONTROLLER (DOL-003)
  • WAVE BIRD (DOL-004)
  • Logicool SPEED FORCE (LGRC-10000)
  • HORI デジタルコントローラ

■ Nintendo Wii(コントローラ側) ■

Nintendo Wii」(ウィー、以下Wiiと呼びます)のゲームコントローラを接続します。ここでのゲームコントローラとはWiiリモコンに接続するタイプのことを指します。具体的には、クラシックコントローラやヌンチャクのことです。WiiリモコンはBluetooth経由で読み取る必要があり、また標準的なゲームコントローラとしてのHIDではないため変換は困難です。いずれはWiiリモコンにも対応したいと考えていますが外付けハードは必須です。

● 変換ケーブルの作製

クリックすると拡大します。
クリックすると拡大します。
Wii用ゲームコントローラ・コネクタをD-SUB9ピン(メス)に付け替えます。
【用意する部品】
Wii用ゲームコントローラ
D-SUB9ピン(メス)コネクタ
D-SUB9ピン・コネクタ用シェル
信号用シリコンダイオード x 2

配線は左図を参考にしてください。
UMJ-FX側のD-SUBコネクタと、
ゲームコントローラ側のコネクタを覗き込んだ図になっています。ここで作製する変換ケーブル側のコネクタではないことにご注意ください。

他のコントローラのように、延長ケーブルを用いて変換ケーブルを作製するのがスマートですが、Wiiには延長ケーブルがありません。変換ケーブルを作製するのに、ジャンクのWiiリモコンを取得しそれからコネクタを外すのも手ですが、まだ新しい物ですのでジャンクの流通は少ないですしコネクタを外すのも大変と思われます。そこで、現状では新品の購入が安く容易ですのでケーブルを切ってD-SUB9ピンに付け替えることにしました。私の場合は開発のために使用することもあり、元の状態に復旧できることを考えてケーブル全体を交換しました。写真のクラシックコントローラはケーブルが無かったため1本1本配線でつないでいます。実用的には写真のヌンチャクのようにシールドケーブルを使用するべきです。シールドケーブルはD-SUB9ピンメス仕様のシリアルケーブルを探してくるのも手です。ただ、ケーブルの直径が細い必要があり4mm程度までです。私の場合、ケーブルは持っていなかったため、ULAに使用できないGBAの通信ケーブルを利用しました。4Pの通信ケーブルは4P目がULAには使用できません。4芯のホイールシールドケーブルであり細いのでちょうど良いです。ケーブルには3芯以上のシールドケーブルが必要です。やはり、ゲームコントローラのケーブルを切ってDSUB9ピンメスコネクタをつけてしまうのが手っ取り早いです。もしかするとWiiリモコンに接続する機器が作れるかもしれませんので切り落とした方のプラグも取っておいた方が良いと思います。

Wiiコントローラの電源は3.3Vでありますので、D-SUBコネクタに供給されている5Vから減圧する必要があります。減圧には3端子レギュレータを用いるのが良いですが、ここでは入手の良さ実装のしやすさからシリコンダイオード2本直列に接続して実現しました。シリコンダイオードは「1S1588」を使用しますが、製造終了品であるためその互換品でも大丈夫です。小信号用シリコンダイオードであればほぼ大丈夫です。逆に、ゲルマニウムやショットキーなどは順方向電圧が異なるのでNGです。実装の際はダイオードに方向がありますのでご注意ください。
 

● ジャンパ設定1(各種切換)  
NGC Multi Joyportでは、ゲームコントローラを選択していたジャンパピンの信号をゲーム機に接続する信号に利用していますので、ジャンパの設定で変更することができません。

そこで、ファームウェア書き込み時に接続するゲームコントローラを選択します。変更するときはファームウェアを書き直すことになります。

左図はファームウェア書き込みソフトウェアです。ここでは、ゲームコントローラ枠内の「Nin,PSx,DC,PCE」を選択して、「EEPROMに書き込む」ボタンを押します。「RAMにダウンロード」は、EEPROMに書き込まずプログラムの転送だけを行います。

   
● ジャンパ設定2(SUB1基板を使用する場合のみ)(ATARI⇔MD切換)
クリックすると拡大します。 SUB1基板の「ATARI⇔MD」切換を設定します。左写真の(赤丸)で囲まれたピンヘッダによるジャンパプラグを左図のように設定します。赤色で示された部分がジャンパプラグと考えてください。必ず2つのジャンパプラグを「ATARI」側に差し込んでください。また、この設定がデフォルト(標準)であり、MEGA DRIVE以外はこの設定で使用します。
なお、この設定にはSUB基板をMAIN基板から取り外す必要があります。取り付けの際にはコネクタがずれないように十分に注意してください。ご使用の前に必ず左右から覗き込んでずれが無いか確認してください。
 
● 軸・ボタン割当

クラシックコントローラ

コントローラ

GC

コントローラ

GC

コントローラ GC コントローラ GC

左アナログ

左アナログ

Aボタン

Aボタン Lボタン Lボタン STARTボタン STARTボタン
右アナログ Cアナログ Bボタン Bボタン Rボタン Rボタン SELECTボタン Zボタン
ディジタル ディジタル Xボタン Xボタン ZLボタン - HOMEボタン -
Lボタン
アナログ
Lボタン
アナログ
Yボタン Yボタン ZRボタン Zボタン Rボタン
アナログ
Rボタン
アナログ

ヌンチャク

コントローラ

GC

コントローラ

GC

コントローラ GC コントローラ GC

スティック

左アナログ

加速度センサX軸

- 加速度センサZ軸 - Zボタン Aボタン
    加速度センサY軸 -     Cボタン Bボタン
 
● 仕様(変換遅延は2ms以内に抑えてあります

ゲームコントローラ側
読込時間(実測値)

ゲームコントローラ側
読込間隔(理論値)

ゲーム機側
読込間隔(理論値)

810us

4ms

16.7ms

 
● 確認済みコントローラ
  • クラシックコントローラ (RVL-005)
  • ヌンチャク (RVL-004)

■ VIRTUAL BOY(コントローラ側) ■

VIRTUAL BOY」のゲームコントローラを接続します。この機種のゲームコントローラ延長ケーブルがなく、接続に工夫が必要です。考えられるものとしては、ジャンクのVIRTUAL BOYを取得しコネクタを取り外す、ゲームコントローラのケーブルを切断しD-SUB9ピンを接続する、針金をゲームコントローラの端子に差し込んで接続するなどです。私は開発のためにしか使用しないため最後の方法を取りましたが、ゲームへの使用には不安定だと思います。使用中、針金が抜けてしまったり、配線コードが切れたりすると思います。

● 変換ケーブルの作製

クリックすると拡大します。 VIRTUAL BOY用ゲームコントローラ・コネクタとD-SUB9ピン(メス)に変換するケーブルを作製します。
【用意する部品】
VIRTUAL BOY用延長ケーブル
D-SUB9ピン(メス)コネクタ
D-SUB9ピン・コネクタ用シェル

配線は左図を参考にしてください。
UMJ-FX側のD-SUBコネクタと、
ゲームコントローラ側のコネクタを覗き込んだ図になっています。ここで作製する変換ケーブル側のコネクタではないことにご注意ください。

     
● ジャンパ設定1(各種切換)  
NGC Multi Joyportでは、ゲームコントローラを選択していたジャンパピンの信号をゲーム機に接続する信号に利用していますので、ジャンパの設定で変更することができません。

そこで、ファームウェア書き込み時に接続するゲームコントローラを選択します。変更するときはファームウェアを書き直すことになります。

左図はファームウェア書き込みソフトウェアです。ここでは、ゲームコントローラ枠内の「Nin,PSx,DC,PCE」を選択して、「EEPROMに書き込む」ボタンを押します。「RAMにダウンロード」は、EEPROMに書き込まずプログラムの転送だけを行います。

   
● ジャンパ設定2(SUB1基板を使用する場合のみ)(ATARI⇔MD切換)
クリックすると拡大します。 SUB1基板の「ATARI⇔MD」切換を設定します。左写真の(赤丸)で囲まれたピンヘッダによるジャンパプラグを左図のように設定します。赤色で示された部分がジャンパプラグと考えてください。必ず2つのジャンパプラグを「ATARI」側に差し込んでください。また、この設定がデフォルト(標準)であり、MEGA DRIVE以外はこの設定で使用します。
なお、この設定にはSUB基板をMAIN基板から取り外す必要があります。取り付けの際にはコネクタがずれないように十分に注意してください。ご使用の前に必ず左右から覗き込んでずれが無いか確認してください。
 
● 軸・ボタン割当

コントローラ

GC

コントローラ

GC

コントローラ GC コントローラ GC

左スティック

ディジタル

Aボタン

Aボタン Lボタン Lボタン STARTボタン STARTボタン
右スティック Cアナログ Bボタン Bボタン Rボタン Rボタン SELECTボタン Zボタン
 
● 仕様(変換遅延は2ms以内に抑えてあります

ゲームコントローラ側
読込時間(実測値)

ゲームコントローラ側
読込間隔(理論値)

ゲーム機側
読込間隔(理論値)

256.2us

4ms

16.7ms

 
● 確認済みコントローラ
  • 標準コントローラ (VUE-005)

■ PlayStation/2(コントローラ側) ■

PlayStation / PlayStation2」 (プレーステーション、通称プレステ、プレステツー、以下プレステと呼びます)のゲームコントローラを接続します。

● 変換ケーブルの作製

クリックすると拡大します。 プレステ用ゲームコントローラ・コネクタとD-SUB9ピン(メス)に変換するケーブルを作製します。
【用意する部品】
プレステ用延長ケーブル
D-SUB9ピン(メス)コネクタ
D-SUB9ピン・コネクタ用シェル
信号用シリコンダイオード x 2

配線は左図を参考にしてください。
UMJ-FX側のD-SUBコネクタと、
ゲームコントローラ側のコネクタを覗き込んだ図になっています。ここで作製する変換ケーブル側のコネクタではないことにご注意ください。

プレステ用コントローラの電源は3.3Vでありますので、D-SUBコネクタに供給されている5Vから減圧する必要があります。減圧には3端子レギュレータを用いるのが良いですが、ここでは入手の良さ実装のしやすさからシリコンダイオード2本直列に接続して実現しました。シリコンダイオードは「1S1588」を使用しますが、製造終了品であるためその互換品でも大丈夫です。小信号用シリコンダイオードであればほぼ大丈夫です。逆に、ゲルマニウムやショットキーなどは順方向電圧が異なるのでNGです。実装の際はダイオードに方向がありますのでご注意ください。
 
● ジャンパ設定1(各種切換)  
NGC Multi Joyportでは、ゲームコントローラを選択していたジャンパピンの信号をゲーム機に接続する信号に利用していますので、ジャンパの設定で変更することができません。

そこで、ファームウェア書き込み時に接続するゲームコントローラを選択します。変更するときはファームウェアを書き直すことになります。

左図はファームウェア書き込みソフトウェアです。ここでは、ゲームコントローラ枠内の「Nin,PSx,DC,PCE」を選択して、「EEPROMに書き込む」ボタンを押します。「RAMにダウンロード」は、EEPROMに書き込まずプログラムの転送だけを行います。

   
● ジャンパ設定2(SUB1基板を使用する場合のみ)(ATARI⇔MD切換)
クリックすると拡大します。 SUB1基板又はSUB2基板の「ATARI⇔MD」切換を設定します。左写真の(赤丸)で囲まれたピンヘッダによるジャンパプラグを左図のように設定します。赤色で示された部分がジャンパプラグと考えてください。必ず2つのジャンパプラグを「ATARI」側に差し込んでください。また、この設定がデフォルト(標準)であり、MEGA DRIVE以外はこの設定で使用します。
なお、この設定にはSUB基板をMAIN基板から取り外す必要があります。取り付けの際にはコネクタがずれないように十分に注意してください。ご使用の前に必ず左右から覗き込んでずれが無いか確認してください。
 
● 軸・ボタン割当

ディジタルモード/アナログモード

コントローラ

GC

コントローラ

GC

コントローラ CG コントローラ CG

ディジタル

ディジタル

△ボタン

Xボタン L2ボタン Lボタン STARTボタン STARTボタン
左アナログ 左アナログ ○ボタン Aボタン R2ボタン Rボタン SELECTボタン Zボタン
右アナログ Cアナログ ×ボタン Bボタン L1ボタン -    
    □ボタン Yボタン R1ボタン Zボタン    

ネジコン

コントローラ

GC

コントローラ

GC

コントローラ GC コントローラ GC

ねじり

左アナログ左右

Lボタン

Lボタン
アナログ
Iボタン Bボタン Lボタン -
Iボタン 左アナログ上下 Aボタン Aボタン IIボタン Yボタン Rボタン Zボタン
IIボタン Rボタン
アナログ
Bボタン Xボタン     STARTボタン STARTボタン
 
● 仕様(変換遅延は2ms以内に抑えてあります

ゲームコントローラ側
読込時間(実測値)

ゲームコントローラ側
読込間隔(理論値)

ゲーム機側
読込間隔(理論値)

340.4us (SCPH-1200 ディジタルモード)
597.9us (SCPH-1200 アナログモード)

4ms
16ms (強制モード時)

16.7ms

 
● 確認済みコントローラ
  • アナログジョイスティック (SCPH-1110)
  • DUALSHOCK (SCPH-1200)
  • DUALSHOCK2 (SCPH-10010)
  • negcon (NPC-101)
  • HORI ANASIN2TURBO (HP2-188) ※
  • Logicool CORDLESS COMPACT CONTROLLER (LPGC-60000) ※
  • FORMULA ZERO (NSP-311) ※

※ 強制 16ms モードで使用する必要があります。そのモードについては下記参照。
 

● 強制 16ms モード ジャンパ設定1(各種切換)
このモードは、ゲームコントローラ側のデータ読込間隔を16msに変更します。動作が不安定なゲームコントローラは、この設定により改善されることがあります。普通、ゲームコントローラのデータ読み込みはV-SYNC周期(16.7ms)で行われるためです。 ゲーム機側読込間隔がVSYNC(16.7ms)で行われる限り、この設定を行っても遅延は生じません。
NGC Multi Joyportでは、ゲームコントローラを選択していたジャンパピンの信号をゲーム機に接続する信号に利用していますので、ジャンパの設定で変更することができません。

そこで、ファームウェア書き込み時に接続するゲームコントローラを選択します。変更するときはファームウェアを書き直すことになります。

左図はファームウェア書き込みソフトウェアです。ここでは、ゲームコントローラ枠内の「Nin,PSx,DC,...(16ms)」を選択して、「EEPROMに書き込む」ボタンを押します。「RAMにダウンロード」は、EEPROMに書き込まずプログラムの転送だけを行います。

この設定は、「PlayStation/2」だけでなく「FAMILY COMPUTER」、「SUPER Famicom」、「NINTENDO64」、「NINTENDO GAMECUBE」、「VIRTUAL BOY」、「PC Engine」、「Dreamcast」にも有効です。
 

■ PC Engine(コントローラ側) ■

PC Engine」(PCエンジン)のゲームコントローラを接続します。2ボタンの他に6ボタンにも対応しています。これらは自動的に認識します。

● 変換ケーブルの作製

クリックすると拡大します。 PC Engine用ゲームコントローラ・コネクタとD-SUB9ピン(メス)に変換するケーブルを作製します。
【用意する部品】
Mini DIN 8pin メス
8芯シールドケーブル 20cm程度
D-SUB9ピン(メス)コネクタ
D-SUB9ピン・コネクタ用シェル

配線は左図を参考にしてください。
UMJ-FX側のD-SUBコネクタと、
ゲームコントローラ側のコネクタを覗き込んだ図になっています。ここで作製する変換ケーブル側のコネクタではないことにご注意ください。

この変換ケーブルはTeam Plus製「ATR-USB」又は「ATR-USB mk2」の専用アダプタに互換があります。そのアダプタをお持ちでしたら使用することも可能と思われます。当方では、その動作の確認をしておりません。
 
● ジャンパ設定1(各種切換)  
NGC Multi Joyportでは、ゲームコントローラを選択していたジャンパピンの信号をゲーム機に接続する信号に利用していますので、ジャンパの設定で変更することができません。

そこで、ファームウェア書き込み時に接続するゲームコントローラを選択します。変更するときはファームウェアを書き直すことになります。

左図はファームウェア書き込みソフトウェアです。ここでは、ゲームコントローラ枠内の「Nin,PSx,DC,PCE」を選択して、「EEPROMに書き込む」ボタンを押します。「RAMにダウンロード」は、EEPROMに書き込まずプログラムの転送だけを行います。

   
● ジャンパ設定2(SUB1基板を使用する場合のみ)(ATARI⇔MD切換)
クリックすると拡大します。 SUB1基板の「ATARI⇔MD」切換を設定します。左写真の(赤丸)で囲まれたピンヘッダによるジャンパプラグを左図のように設定します。赤色で示された部分がジャンパプラグと考えてください。必ず2つのジャンパプラグを「ATARI」側に差し込んでください。また、この設定がデフォルト(標準)であり、MEGA DRIVE以外はこの設定で使用します。
なお、この設定にはSUB基板をMAIN基板から取り外す必要があります。取り付けの際にはコネクタがずれないように十分に注意してください。ご使用の前に必ず左右から覗き込んでずれが無いか確認してください。
 
● 軸・ボタン割当

コントローラ

GC

コントローラ

GC

コントローラ GC コントローラ GC

ディジタル

ディジタル

Iボタン

Aボタン IVボタン Rボタン STARTボタン STARTボタン
    IIボタン Bボタン Vボタン Yボタン SELECTボタン Zボタン
    IIIボタン Lボタン VIボタン Xボタン    
 
● 仕様(変換遅延は2ms以内に抑えてあります

ゲームコントローラ側
読込時間(実測値)

ゲームコントローラ側
読込間隔(理論値)

ゲーム機側
読込間隔(理論値)

25.75us

4ms

16.7ms

 
● 確認済みコントローラ
  • 標準2ボタンパッド (PI-PD8)
  • AVENUE PAD6 (NAPD-1002)

■ CyberStick(コントローラ側) ■

X680x0用の「サイバースティック」(CZ-6NJ1, XAP-1)を接続します。また、アナログ・ディジタルモードは自動的に判別し対応します。

● 変換ケーブルの作製
CyberStickの場合、作成の必要はありません。
 

● ジャンパ設定1(各種切換)  
NGC Multi Joyportでは、ゲームコントローラを選択していたジャンパピンの信号をゲーム機に接続する信号に利用していますので、ジャンパの設定で変更することができません。

そこで、ファームウェア書き込み時に接続するゲームコントローラを選択します。変更するときはファームウェアを書き直すことになります。

左図はファームウェア書き込みソフトウェアです。ここでは、ゲームコントローラ枠内の「CyberStick」を選択して、「EEPROMに書き込む」ボタンを押します。「RAMにダウンロード」は、EEPROMに書き込まずプログラムの転送だけを行います。

   
● ジャンパ設定2(SUB1基板を使用する場合のみ)(ATARI⇔MD切換)
クリックすると拡大します。 SUB1基板の「ATARI⇔MD」切換を設定します。左写真の(赤丸)で囲まれたピンヘッダによるジャンパプラグを左図のように設定します。赤色で示された部分がジャンパプラグと考えてください。必ず2つのジャンパプラグを「ATARI」側に差し込んでください。また、この設定がデフォルト(標準)であり、MEGA DRIVE以外はこの設定で使用します。
なお、この設定にはSUB基板をMAIN基板から取り外す必要があります。取り付けの際にはコネクタがずれないように十分に注意してください。ご使用の前に必ず左右から覗き込んでずれが無いか確認してください。
 
● 軸・ボタン割当

コントローラ

GC

コントローラ

GC

コントローラ GC コントローラ GC

スティック
アナログモード

左アナログ

Aボタン

Aボタン E1ボタン Lボタン STARTボタン STARTボタン
スティック
ディジタルモード
ディジタル Bボタン Bボタン E2ボタン Rボタン SELECTボタン Zボタン
スロットル Cアナログ
上下
Cボタン Xボタン A2ボタン ※ Aボタン    
    Dボタン Yボタン B2ボタン ※ Bボタン    
※ 「A2」、「B2」ボタンは、アナログモードにおけるスティックの「A」、「B」ボタンです。
 
● 仕様(変換遅延は2ms以内に抑えてあります

ゲームコントローラ側
読込時間(実測値)

ゲームコントローラ側
読込間隔(理論値)

ゲーム機側
読込間隔(理論値)

467.8us (アナログモード)
329.1us (ディジタルモード)

4ms

16.7ms

 
● 確認済みコントローラ
  • CyberStick (CZ-8NJ2)

■ CPSFighter/CPSF-PCアダプタ(コントローラ側) ■

X680x0用の「Magical Pad」又は「CPSFighter/CPSF-PCアダプタ」を接続します。 そのアダプタの設定を2ボタンにするときは「ATARI互換」の設定でお使いください。 ここでは6ボタンの設定で使用します。

● 変換ケーブルの作製
Magical Pad又はCPSFighter/CPSF-PCアダプタの場合、作成の必要はありません。
 

● ジャンパ設定1(各種切換)  
NGC Multi Joyportでは、ゲームコントローラを選択していたジャンパピンの信号をゲーム機に接続する信号に利用していますので、ジャンパの設定で変更することができません。

そこで、ファームウェア書き込み時に接続するゲームコントローラを選択します。変更するときはファームウェアを書き直すことになります。

左図はファームウェア書き込みソフトウェアです。ここでは、ゲームコントローラ枠内の「CPS-Fighter」を選択して、「EEPROMに書き込む」ボタンを押します。「RAMにダウンロード」は、EEPROMに書き込まずプログラムの転送だけを行います。

   
● ジャンパ設定2(SUB1基板を使用する場合のみ)(ATARI⇔MD切換)
クリックすると拡大します。 SUB1基板の「ATARI⇔MD」切換を設定します。左写真の(赤丸)で囲まれたピンヘッダによるジャンパプラグを左図のように設定します。赤色で示された部分がジャンパプラグと考えてください。必ず2つのジャンパプラグを「ATARI」側に差し込んでください。また、この設定がデフォルト(標準)であり、MEGA DRIVE以外はこの設定で使用します。
なお、この設定にはSUB基板をMAIN基板から取り外す必要があります。取り付けの際にはコネクタがずれないように十分に注意してください。ご使用の前に必ず左右から覗き込んでずれが無いか確認してください。
 
● 軸・ボタン割当

コントローラ

GC

コントローラ

GC

コントローラ GC コントローラ GC

スティック

左アナログ

Aボタン

Aボタン Lボタン(SFC) Lボタン STARTボタン STARTボタン
    Bボタン Bボタン Rボタン(SFC) Rボタン SELECTボタン Zボタン
    Xボタン Xボタン Cボタン(MD) Lボタン    
    Yボタン Yボタン Zボタン(MD) Rボタン    
 
● 仕様(変換遅延は2ms以内に抑えてあります

ゲームコントローラ側
読込時間(実測値)

ゲームコントローラ側
読込間隔(理論値)

ゲーム機側
読込間隔(理論値)

18.92us

4ms

16.7ms

 
● 確認済みコントローラ
  • CPSF-PCアダプタ (CPA 001) SFC/MD

■ ゲーム機本体とコントローラの同期について ■

ゲームコントローラ側の読込間隔は4ms又は16msで取り込みます。これは、USB Multi Joyportの1msと比べると大きな値ですが、USB Multi JoyportでのUSB側処理はハードウェアで行われるのに対して、ここでのファームウェアではゲーム機側に送出するデータもソフトウェアで処理しなければなりません。つまり、コントローラのデータの読み込みとゲーム機にデータを送出するのは交互に行わなければなりません。そのため衝突が起こらないように余裕を持った読込間隔になっております。しかし、コントローラのデータの読み込みとゲーム機にデータを送出するタイミングを同期させることにより遅延を2ms以内に収めることが可能です。実際に同期化する処理を実装し、オシロスコープで観測した状態を公開します。

● ゲームコントローラ側の読込間隔 4ms の場合

黄色の波形がゲーム機とのデータを示しています。青色の波形がコントローラとのデータ処理を示しています。横軸の1マスが2msです。ゲーム機にデータを送出開始(黄色の波形)から直前のコントローラのデータ読み込み開始(青色の波形)までの変換機による遅延は2ms以内に収まっていることがわかります。また、ゲーム機はNGCですが黄色の波形を見ると2度データを読み取っていることがわかります。このようにいくつかのゲーム機では、読み取ったデータにエラーがないか2度読みで検査しているようです。このような理由からもコントローラの読込間隔を1msにすることはできません。実質的な遅延として、コントローラの読み込み開始から2度読みまで含めたゲーム機へのデータ送出終了まで4ms以内に収まっていることがわかります。

● ゲームコントローラ側の読込間隔 16ms の場合

青色の波形はコントローラとのデータ処理を示していますが、細い縦線3本は実際にはコントローラのデータを読み込まない空の処理を示しています。凸形の矩形波はコントローラのデータを読み込んでいる処理を示しています。このように、ゲーム機にデータを送出(黄色の波形)直前にコントローラのデータを読み込むように設計されており、コントローラ側の読込間隔を16msにしても最小限の遅延としております。
 


■ 連絡先 ■

掲示板

管理人へメール

クリックするとトップページに戻ります。
トップページに戻る

Since Jul-29-2007: 46128